Question No: 1 ( Marks: 1 ) – Please choose one
If we connect 3 capacitors in series, the combined effect of all these capacitors will be
► equal to the sum of individual capacitors
► the sum of reciprocals of individual capacitors
►zero
► product of all
Question No: 2 ( Marks: 1 ) – Please choose one
A node which emerges as a result of combination of two ordinary nodes is called
► Heavy node
► Simple node
► Super mesh
► Super node
Question No: 3 ( Marks: 1 ) – Please choose one
Unit of inductance is
► mho
► ohm
► Henry
► Farad
Question No: 4 ( Marks: 1 ) – Please choose one
Reciprocal of resistance is
► Conductance
► Inductance
► Capacitance
► Resistivity
Question No: 5 ( Marks: 1 ) – Please choose one
An ideal voltage source is a circuit element where the voltage across it is independent of
► resistance
► current
► capacitance
► inductance
Question No: 6 ( Marks: 1 ) – Please choose one
Sum of all currents entering in the node is equal to sum of currents leaving the node, is statement of
► Ohm’s law
► Kirchhoff’s current law
► Jaime’s law
► Rutherford’s law
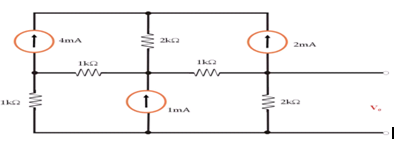
Question No: 7 ( Marks: 1 ) – Please choose one
Which current source will be used for super mesh?
► 4mA
► 2mA
► 1mA
► 2mA ands 4mA
Question No: 8 ( Marks: 1 ) – Please choose one
How many KVL equations can be written for the given circuit?
► 2
► 4
► 3
► 1
Question No: 9 ( Marks: 1 ) – Please choose one
► 6v
► 2v
► 4v
► 10v
Question No: 10 ( Marks: 1 ) – Please choose one
If a parallel circuit is open in main line, the current
► increases in each branch
► is zero in all the branches
► is zero only in the branch that has highest resistance
► increases in the branch that has lowest resistance.
Question No: 11 ( Marks: 1 ) – Please choose one
How many loop equations can be written for this circuit?
► 2
► 4
► 3
► 5
Question No: 12 (Marks: 1) – Please choose one
How many sources are dependent sources in given circuit?
► 3
► 2
► 4
► 1
Question No: 13 (Marks: 1) – Please choose one
How many loops can be assigned to given figure?
► 2
► 4
► 3
► 5
Question No: 14 (Marks: 1) – Please choose one
Through which resistance most current will flow
► 50Ω
► 30Ω
► 20Ω
► same through all resistance
Question No: 15 ( Marks: 1 ) – Please choose one
In given circuit power dissipated across each bulb is 20w. What would be the resistance of each bulb.
► 5Ω
► 10Ω
► 40Ω
► 20Ω
Question No: 16 ( Marks: 1 ) – Please choose one
In the figure below Voltage drop across 7Ω will be
► 20v
► 14v
► 6v
► 10v
Question No: 17 ( Marks: 1 ) – Please choose one
If current flowing through 4Ω is 1mA, voltage drop across it will be
► 2V
► 6V
► 4V
► 12V
Question No: 18 ( Marks: 1 ) – Please choose one
For the given figure current flowing through 5Ω is
► 5A
► 4A
► 10A
► 2A
Question No: 19 ( Marks: 1 ) – Please choose one
The value of Ia for given circuit is
► Ia=Io
► Ia= 3A
► Ia= -3A
► Ia=6v
Question No: 20 ( Marks: 1 ) – Please choose one
In the given circuit the value of independent current source is
► Ix
► Ix/2
► 6mA
► IL
Question No: 21 ( Marks: 2 )
Write contraint equation for given circuit.
Question No: 22 ( Marks: 2 )
Identify and label each node for the given circuit.

Question No: 23 ( Marks: 3 )
Write KVL equations for mesh1 and mesh 3.
Question No: 24 ( Marks: 3 )
Draw and label loop currents for circuit.write kvl for any one loop equation.
Question No: 25 ( Marks: 5 )
Determine the value I4 for the given netwrok.
Question No: 26 ( Marks: 5 )
Label the nodes and write super node equation for given circuit.

















